Masz pytania? Potrzebujesz pomocy? Zadzwoń +48 518 075 074

Menu

Pergola Solid Selt Wolnostojąca – Dane Techniczne

Komponenty pergoli

1- belka prowadząca lewa
2 – belka prowadząca prawa
3 – napęd
4 – belka usztywniająca tył
5 – belka usztywniająca przód
6 – moduł ruchomy
7 – osłona PD
8 – konstrukcja nośna


Przekroje elementów pergoli

• Podpora/Słup/Rygiel
• Belka jezdna
• Rynna
• Belka pośrednia dachu
• Belka skrajna dachu


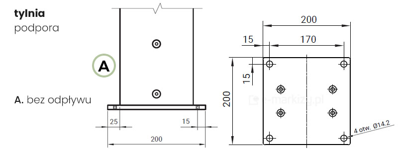
wymiary stóp pergoli

A. podpora tylna bez odpływu
B. podpora bez odpływu
C. podpora z odpływem


Tkanina zadaszenia pergoli

• belka podwieszenia FD35
• fałda tkaniny
• belka ruchoma blokująca
• wózki jezdne
• belki ruchome pośrednie
• belka ruchoma prowadząca
• tkanina powlekana PVC

A. Podwieszenie tkaniny
B. Belka ruchoma blokująca
C. Belka ruchoma pośrednia
D. Belka ruchoma prowadząca



Stopy pergoli – przekroje bez odpływu

W zależności od konfiguracji, podpory pergoli wyposażone są w różne marki montażowe. Na indywidualne życzenie klienta każda podpora może być wyposażona w wybrany typ stopy montażowej.


Stopy pergoli – przekroje z odpływem

Standardowo przednie podpory są podporami odpływowymi. Na indywidualne życzenie klienta każda podpora może być wyposażona w wybrany typ stopy montażowej.


Sposób kotwienia pergoli do podłoża

– poprawne sposoby kotwienia
– niedopuszczalny sposób kotwienia


Oświetlenie taśmowe LED


Rozstaw i wymiary stóp pergoli

Pergola Solid Selt Wolnostojąca – Dane Techniczne