REFLEKSOL 120 – Sposoby Montażu
Roleta typu refleksol 120 przeznaczona jest do montażu na zewnątrz budynku, na fasadzie lub wnęce. W zależności od wybranej opcji, stosuje się różne prowadnice i konfiguracje.
REFLEKSOL 120 – PROWADNICE LISTWOWE GC30 I GC30R DO MONTAŻU NA ZEWNĄTRZ POMIESZCZEŃ
1. Prowadnice listwowe. Montaż we wnęce okiennej bez uchwytów
Prowadnice refleksola GC30R lub GC30 mogą być przykręcone doczołowo do ramy okna, ściany, fasady, bądź do boku wnęki.
Przy wyborze prowadnicy GC30R lub GC30, kasetę należy przykręcić na klipach lub bezpośrednio przewiercając w dowolnym miejscu.
A. Montaż doczołowo do powierzni czołowej – np. do ramy okna, ściany, fasady. Stosujemy tu szeroką prowadnicę tzw. ościeżnicową GC30R
B. Montaż do boku wnęki okiennej. Stosujemy tu szeroką prowadnicę tzw. ościeżnicową GC30R
C. Montaż do boku wnęki okiennej. Stosujemy tu wąską prowadnicę standard GC30
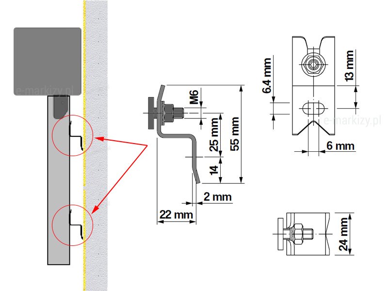
REFLEKSOL 120 – PROWADNICE LISTWOWE GC30F DO MONTAŻU NA ZEWNĄTRZ POMIESZCZEŃ
1. Prowadnice listwowe. Montaż do ściany/fasady/ramy na uchwytach (do powierzchni czołowej)
Prowadnice GC30F mogą zostać zamontowane za pomocą różnych uchwytów do ramy okna lub ściany, zależnie od potrzeby. Do wyboru są klipy montażowe, uchwyty regulowane oraz uchwyty o stałej długości.
Ilość uchwytów prowadnicy dobierana jest automatycznie na podstawie wysokości całkowitej systemu.
Kaseta jest samonośna (jest mocowana tylko do prowadnic. W razie potrzeby można ją przymocować do powierzchni).
REFLEKSOL 120 – PROWADNICE LINKOWE DO MONTAŻU NA ZEWNĄTRZ POMIESZCZEŃ
1. Prowadnice linkowe. Montaż do sufitu LUB 2. Do ramy/ściany
Przy wyborze prowadnic linkowych, kaseta refleksola mocowana jest bezpośrednio do sufitu lub do ściany/ramy za pomocą klipów/uchwytów kasety. W nietypowych sytuacjach, kasetę możemy również przykręcić do powierzchni czołowej nie stosując żadnych uchwytów. W tym celu nawiercamy kasetę refleksola i mocujemy ją bezpośrednio do powierzchni.
Uchwyty linek mogą być montowane do powierzchni czołowej (np. fasady/ramy/okna) lub ewentualnie do podłoża.
Uchwyty linek mogą być montowane do powierzchni czołowej np. ramy/okna/fasady/ściany lub ewentualnie do podłoża-podłogi. Do uchwytu mocujemy specjalny napinacz linki, którego pozycję możemy regulować w pewnych zakresach. Napinacz pełni również funkcję naciągania linki (prowadnicy linkowej).
Uchwyty linki występują w różnych długościach i są regulowane w zakresach:
* L= regulacja od 15-36mm (Standardowa długość)
* L= regulacja od 29-50mm (Opcja-rzadziej stosowana długość)
* L= regulacja od 55-76mm (Opcja-rzadziej stosowana długość)
RENDERY
![]() |
Refleksol 120 Selt| Kaseta samonośna |
![]() |
Refleksol 120 Selt| Kaseta przykręcana |
![]() |
Refleksol 120 Selt| Kaseta przykręcana |
![]() |
Refleksol 120 Selt| Kaseta przykręcana |
Refleksol 120 – Sposoby montażu – Instrukcja producenta
Zobacz produkt na stronie producenta – Kliknij Tutaj
Wyceń refleksol z własnymi wymiarami – Kliknij Tutaj
Refleksol 120 - Sposoby montażu - Instrukcja producenta - Refleksole zewnętrzne, refleksole montaż, rolety pionowe, refleksol 90, refleksol selt, refleksole cena, refleksole allegro, refleksole montaż, refleksole cena, refleksole producent, refleksole zalety, refleksole na okna, refleksole xl, refleksole na wymiar montaż, rolety pionowe refleksol, refleksole na okna, refleksole zaciemniające montaż, materiał na refleksole, refleksole na okna dachowe, roleta refleksol, rolety screen montaż, roleta screen na wymiar, rolety refleksol 103, refleksol 120, rolety refleksole montaż



