Masz pytania? Potrzebujesz pomocy? Zadzwoń +48 518 075 074

Menu

Żaluzje fasadowe linkowe rodzaje uchwytów

Żaluzja fasadowa na prowadnicach linkowych i jej poszczególne komponenty mogą być mocowane na różnego rodzaju uchwytach. Poniżej przedstawiamy najpopularniejsze rozwiązania.
Zastosowanie w żaluzjach fasadowych firmy Selt: C50L, C80L, Z90L

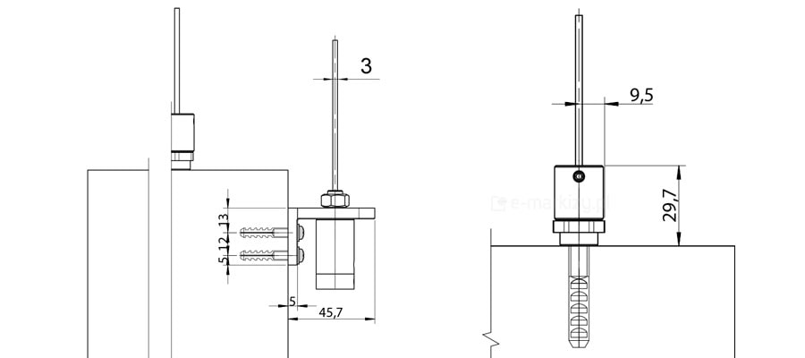
Żaluzja fasadowa ma wyprowadzoną estetyczną linkę aluminiową w specjalnym oplocie. Linkę naprężającą mocujemy do podłoża lub do ramy okna/ściany za pomocą uchwytu, który przykręcamy do ramy okna lub fasady budynku. Uchwyt posiada specjalny naciąg sprężynkowy, który zapewnia optymalne naprężenie linki. Lamele żaluzji posiadają specjalne otwory. Linka jest przełożona przez każdy lamel żaluzji.

Prowadnice linkowe żaluzji fasadowych wykonane są ze stali ocynkowanej z oplotem poliamidowym. Ich średnica to 3 mm.

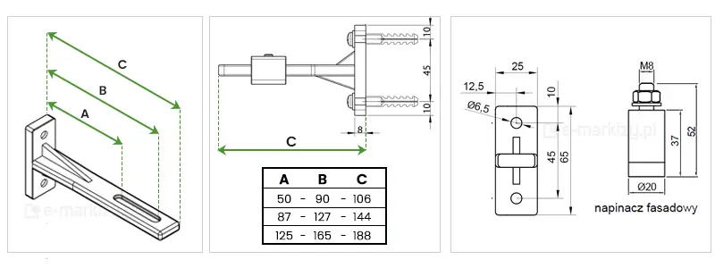
W przypadku gdy montujemy dwie lub więcej żaluzji obok siebie, możemy zastosować jeden uchwyt modułowy, który mocuje dwie linki jednocześnie. Jest to tzw. uchwyt modułowy, powalający na łączenie wielu żaluzji w jedną osłonę.

Zobacz Ofertę Żaluzji – Kliknij Tutaj


System mocowania linki wraz z naciągiem

Uchwyty naciągu linki występują w 6 różnych zakresach długości w zależności od potrzeb. W przypadku standardowego montażu np. do wnęki okna stosuje się zazwyczaj uchwyt z regulacją 15-36 mm. Jest on wykorzystywany w większości przypadkach. W sytuacjach nietypowego montażu możemy zastosować uchwyty z większą regulacją.


Napinacz fasadowy podłogowy

W przypadku montażu prowadnicy linkowej do podłoża, stalową linkę prowadnicy przeprowadza się przez górną część napinacza podłogowego, a następnie delikatnie napina w pionie i przesuwa w górę napinacza, aby zachodziła ok. 5 mm na zamocowaną do podłoża dolną część i blokuje bocznym wkrętem imbusowym. Nadmiar linki należy obciąć, aby wystawała ok. 10 mm poniżej górnej części.

Napinacz fasadowy podłogowy – montaż


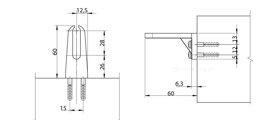
Przedłużka uchwytu linki

Uchwyty naciągu linki mogą zostać wydłużone za pomocą opcjonalnego uchwytu występującego w trzech wymiarach.

Uchwyt napinający prowadnicę linkową

Uchwyt dla jednej żaluzji / Uchwyt modułowy dla dwóch żaluzji
(występuje w zakresach od 50 – 165 mm)


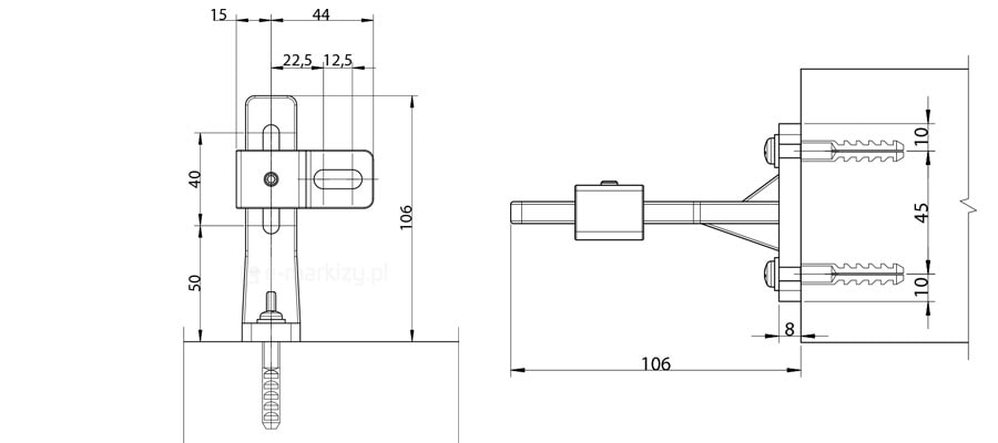
Uchwyt główny blachy osłonowej żaluzji C50L

Standardowo w żaluzji C50 wykorzystywany jest uchwyt główny blachy 10 cm


Uchwyt główny blachy osłonowej żaluzji C80L

Standardowo w żaluzji C80 wykorzystywany jest uchwyt główny blachy 12 cm


Uchwyt główny blachy osłonowej żaluzji Z90L

Standardowo w żaluzji Z90 wykorzystywany jest uchwyt główny blachy 14 cm


Uchwyt główny regulowany blachy osłonowej

Stosowany razem z uchwytami pomocniczymi


Uchwyt pomocniczy blachy osłonowej żaluzji

– Uchwyty pomocnicze 125-390 mm
– Nakładka wyciszająca uchwytu pomocniczego


Uchwyt szyny głównej żaluzji

Standardowo w żaluzji na prowadnicach linkowych wykorzystywany jest uchwyt standardowy. Uchwyt sprężysty może być wykorzystany opcjonalnie.


Montaż uchwytu szyny C50L

Standardowo w żaluzji fasadowej C50L na prowadnicach linkowych wykorzystywany jest uchwyt standardowy. Mocowany jest on bezpośrednio do szyny lub do uchwytu głównego blachy osłonowej.


Montaż uchwytu szyny C80L

Standardowo w żaluzji fasadowej C80L na prowadnicach linkowych wykorzystywany jest uchwyt standardowy. Mocowany jest on bezpośrednio do szyny lub do uchwytu głównego blachy osłonowej.


Montaż uchwytu szyny Z90L

Standardowo w żaluzji fasadowej Z90L na prowadnicach linkowych wykorzystywany jest uchwyt standardowy. Mocowany jest on bezpośrednio do szyny lub do uchwytu głównego blachy osłonowej.


Strona dotyczy żaluzji fasadowych firmy Selt wykonywanej na wymiar zgodnie z informacjami podanymi podczas zamówienia w konfiguratorze produktu. Więcej informacji można znaleźć w konfiguratorze lub na pozostałych podstronach produktu.


Żaluzje fasadowe linkowe - rodzaje uchwytów - żaluzje fasadowe c50, żaluzja linkowa c50, żaluzja na prowadnicy linkowej, żaluzja fasadowa z linkami prowadzącymi, żaluzje fasadowe Z90, żaluzje fasadowe Z90 dane techniczne, Jak mocować Żaluzje fasadowe Z90, żaluzje fasadowe specyfikacja, żaluzja fasadowa uchwyty, żaluzja fasadowa Z90 rodzaje uchwytów, żaluzja z lamelami jakie uchwyty, żaluzja zewnętrzna, żaluzja elektryczna, żaluzja zewnętrzna fasadowa rodzaje uchwytów, uchwyty do żaluzji fasadowych, żaluzja fasadowa selt uchwyty, Jak mocować Żaluzje fasadowe C80, żaluzje fasadowe Z90, żaluzja fasadowa C80 rodzaje uchwytów