Masz pytania? Potrzebujesz pomocy? Zadzwoń +48 518 075 074

Menu

Pergola Solid Selt Przyścienna – Dane Techniczne

Pergola Przyścienna Solid – Komponenty

1 – belka prowadząca lewa
2 – belka prowadząca prawa
3 – napęd
4 – belka usztywniająca tył
5 – belka usztywniająca przód
6 – moduł ruchomy
7 – osłona PD
8 – konstrukcja nośna


Przekroje elementów pergoli

• Podpora/Słup/Rygiel
• Belka jezdna
• Rynna
• Belka pośrednia dachu
• Belka skrajna dachu


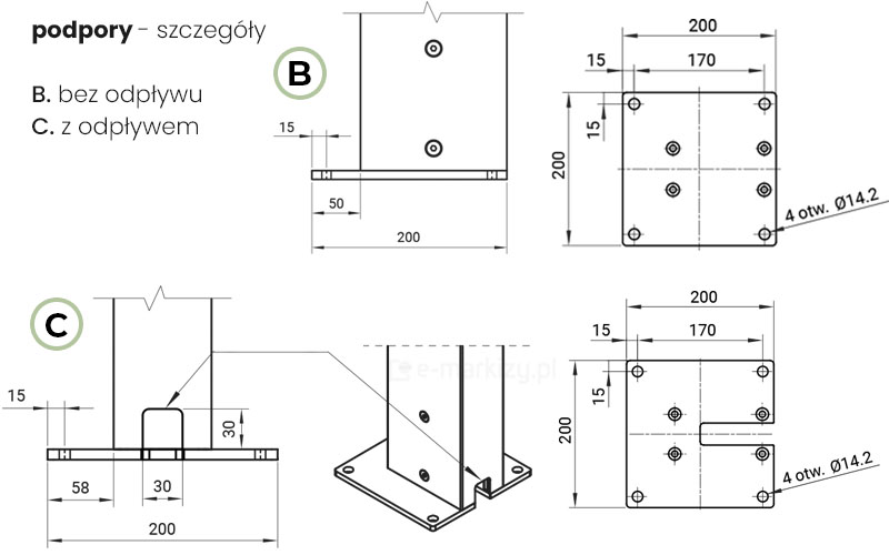
wymiary stóp pergoli

B. podpora bez odpływu
C. podpora z odpływem


Tkanina zadaszenia pergoli

• belka podwieszenia FD35
• fałda tkaniny
• belka ruchoma blokująca
• wózki jezdne
• belki ruchome pośrednie
• belka ruchoma prowadząca
• tkanina powlekana PVC

A. Podwieszenie tkaniny
B. Belka ruchoma blokująca
C. Belka ruchoma pośrednia
D. Belka ruchoma prowadząca


Przekroje boczne dachu tkaninowego


Pergola jednomodułowa

W przypadku pergoli przyściennej jednomodułowej tylne uchwyty belki prowadzącej są przykręcone do ściany,
podkonstrukcji itp.
1 – belka prowadząca
2 – mocowanie belki prowadzącej
3 – śruba mocująca belkę z uchwytem
4 – uchwyt belki prowadzącej tył
5 – kotwy mocujące uchwyt w ścianie
X – założona szerokość modułu

Pergola wielomodułowa

W przypadku pergoli przyściennej wielomodułowej tylne uchwyty belki prowadzącej są przykręcone do ściany,
podkonstrukcji itp.
1 – belka prowadząca
2 – mocowanie belki prowadzącej
3 – śruba mocująca belkę z uchwytem
4 – uchwyt belki prowadzącej tył
5 – kotwy mocujące uchwyt w ścianie
XŚ – założona szerokość modułu środkowego

ZESTAWIENIE

1 – belka prowadząca
2 – mocowanie belki prowadzącej
3 – śruba mocująca belkę z uchwytem
4 – uchwyt belki prowadzącej tył
5 – kotwy mocujące uchwyt w ścianie
XLP – założona szerokość modułu skrajnego (lewego lub prawego)



Opcjonalna belka boczna pergoli

Jedna lub dwie belki dodatkowo wzmacniają konstrukcję oraz umożliwiają montaż osłon bocznych, takich jak refleksole.


Stopy pergoli – przekroje bez odpływu

W zależności od konfiguracji, podpory pergoli wyposażone są w różne marki montażowe. Na indywidualne życzenie klienta każda podpora może być wyposażona w wybrany typ stopy montażowej.


Stopy pergoli – przekroje z odpływem

Standardowo przednie podpory są podporami odpływowymi. Na indywidualne życzenie klienta każda podpora może być wyposażona w wybrany typ stopy montażowej.


Sposób kotwienia pergoli do podłoża

– poprawne sposoby kotwienia
– niedopuszczalny sposób kotwienia


Uchwyty ścienne do pergoli Solid

W zależności od ilości modułów, do montażu ściennego stosuje się inne uchwyty, ich rozmieszczenie i przekrój dostępne są na stronie o montażu pergoli.


Oświetlenie taśmowe LED