Refleksol Ziiip 120 Selt – kaseta kwadratowa
- Szerokość: od 61 do 700 cm
- Wysokość: od 40 do 400 cm
- Napęd elektryczny
- Montaż zewnętrzny
Informacje
Refleksol Ziiip 120
Refleksol Ziiip 120 to podtynkowy system kasetowy, który cechuje się wysoką klasą odporności wiatrowej. Kaseta do montażu podtynkowego wykonana z blachy aluminiowej wyposażona jest w wypust, umożliwiający wykonanie zewnętrznej wyprawy tynkarskiej. Rewizja z przodu kasety (wersja podtynkowa posiada rewizję od dołu kasety). Dwuczęściowa prowadnica z systemem uszczelek kompensujących. Refleksol zip standardowo wyposażony jest w silnik elektryczny.
Refleksol Zip 120 to roleta typu screen zaprojektowana tak, aby tkanina pozostawała w ciągłym napięciu niezależnie od położenia. Takie rozwiązanie pozwala cieszyć się funkcjonalnością rolety nawet przy silnych, porywistych wiatrach. Rolety screen zip dzięki rozbudowanemu systemowi uszczelek kompensujących umożliwiają pełne zaciemnienie nawet przy dużych nierównościach na elewacji budynku. Jest to jedyne rozwiązanie tego typu do stosowania na zewnątrz. Konstrukcja refleksoli może być lakierowana na dowolny kolor z palety RAL. Dostępna jest szeroka gama tkanin o różnych właściwościach odbijających światło słoneczne.
Refleksol 120 Ziiip przeznaczony jest do montażu wnękowego, ściennego lub podtynkowego. Maksymalna szerokość osłony to 7m, a wysokość 4m.
Cechy Charakterystyczne Refleksola
|
|
Możliwe Opcje Refleksola
- Napęd elektryczny (w standardzie)
- Pilot z centralką (opcja dodatkowo płatna)
- Czujniki wiatru lub słońca (opcja dodatkowo płatna)
Refleksol może być wyposażony w wiele dodatkowych opcji. Aby zobaczyć więcej i wycenić dodatkowe opcje, skonfiguruj swoją osłonę.
Pomiar Refleksola
Refleksol Zip 120 produkowany jest na wymiar. Maksymalna szerokość to 700cm a wysokość to 400cm. Do zamówienia lub wyceny podajemy zawsze całkowity zewnętrzny wymiar osłony, łącznie z kasetą.
Refleksol 120 Ziiip – Komponenty
– kaseta refleksola
– klipy montażowe
– prowadnica aluminiowa
– belka dolna
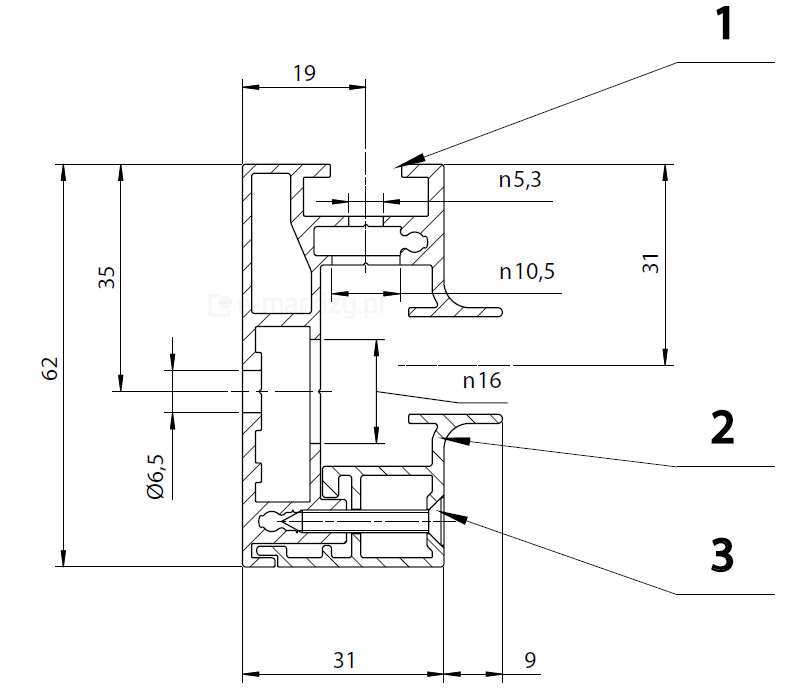
Profil Prowadnicy Refleksola
1. Profil prowadnicy refleksola
2. Profil rewizyjny prowadnicy
3. Wkręt mocujący
Napęd i Automatyka do Refleksoli
- Standardowo refleksol jest wyposażony w silnik elektryczny, który automatycznie zwija i rozwija osłonę.
- Do osłony z silnikiem można dobrać Pilot bezprzewodowy z centralką sterującą
- Do osłony z silnikiem można dobrać Czujnik wiatru, Czujnik słońca
Kolory Tkanin Refleksoli
Szeroki wachlarz tkanin, pozwala na dopasowanie koloru rolety do architektury budynku oraz dobór odpowiedniego współczynnika przenikania promieni słonecznych. System wyposażony został w system naciągu tkaniny, który utrzymuje jej napięcie nawet na dużych powierzchniach. Tkaniny akrylowe to kolekcja stosowana głównie w markizach, tkaniny typu Screen są połączeniem PCV i poliestru, zależnie od wybranej grupy posiadają inne właściwości takie jak przepuszczalność światła czy dźwięku.
ZOBACZ ZDJĘCIA REFLEKSOLA
ZOBACZ FILMY PRODUKTU
Montaż Refleksoli
Montaż Refleksola do pergoli
Często zadawane pytania
Tak, refleksol posiada kasetę prostokątną


