Masz pytania? Potrzebujesz pomocy? Zadzwoń +48 518 075 074

Menu

Żaluzje Fasadowe C80 Dane Techniczne

Żaluzja C80 – to osłona przeciwsłoneczna zewnętrzna, zamontowana do wnęki nad oknem, w której podnoszenie i opuszczanie lameli, wykonanych z pasków aluminium, realizowane jest z użyciem mechanizmu elektrycznego z układem napędowym połączonym z wyrobem sterującym lub uruchamiane ręcznie za pomocą mechanizmu z korbą.


Zobacz instrukcję pomiaru

Zobacz informacje o prowadnicach

Zobacz informacje o blachach osłonowych

Wyceń żaluzję C80

Żaluzja Fasadowa C80 – Komponenty

1 – Zespół blachy osłonowej (tu: typ 4A)
2 – Pokrywa boczna blachy osłonowej
3 – Prowadnica listwowa (tu: pojedyncza)
4 – Uchwyt prowadnicy (tu typ 1)
5 – Belka dolna C80
6 – Pióro C80

 

Dla szerokości +450cm oraz dla wysięgu +400cm konieczne jest zastosowanie wzmocnienia linkowego.


Najważniejsze elementy żaluzji

– Profil pióra C80
– Profil belki dolnej C80
– Prowadnica pojedyncza
– Prowadnica PT02 (doościeżnicowa)
– Prowadnica PT03 (doościeżnicowa)
– Prowadnica podtynkowa
– Prowadnica podwójna


Standardowe prowadnice aluminiowe żaluzji

– Prowadnica pojedyncza
– Zaślepka prowadnicy pojedynczej
– Prowadnica podwójna

Żaluzja c80 może posiadać różnego typu prowadnice boczne: Listwowe (najbardziej popularne), Podtynkowe, Ościeżnicowe.

Zobacz informacje o prowadnicach


Profil i pióra lameli C80

– Profil pióra
– Profil belki dolnej
– Zaślepka belki dolnej


Żaluzje fasadowe C80 dane techniczne – Rodzaje blach osłonowych do żaluzji C80

Wysokość zwiniętej żaluzji i blachy osłonowej

H – Wysokość całkowita żaluzji
h – Wysokość blachy osłonowej
Wysokość pakietu (od 190 do 440mm)


Uchwyty Blachy osłonowej

– Uchwyty pomocnicze 125-390mm

– Uchwyt główny blachy
– Uchwyt główny regulowany blachy


Montaż żaluzji bez blachy osłonowej

– Standard bez uchwytów dodatkowych na uchwycie szyny głównej. Montaż do sufitu na uchwycie sprężystym
– Na uchwytach dodatkowych głównych. Montaż do ściany lub do sufitu na uchwycie sprężystym mocowanym do uchwytu głównego blachy osłonowej


Uchwyt szyny głównej żaluzji

Standardowo w żaluzji na prowadnicach aluminiowych wykorzystywany jest uchwyt sprężysty (uchwyt standardowy wykorzystywany jest przy prowadnicach linkowych)

Zobacz informacje o uchwytach


Uchwyty prowadnicy aluminiowej

Standardowo przy montażach żaluzji fasadowych na prowadnicach aluminiowych stosujemy uchwyt kątowy (typ 1) lub uchwyt stały (typ 4).

Zobacz informacje o uchwytach


Prowadnica ościeżnicowa

Prowadnice ościeżnicowe żaluzji C80 mogą zostać przykręcone do wnęki okiennej, bądź ramy okna. Zależnie od wybranej opcji, w prowadnicach zostaną wykonane otwory w miejscach montażu.

Zobacz informacje o prowadnicach żaluzji


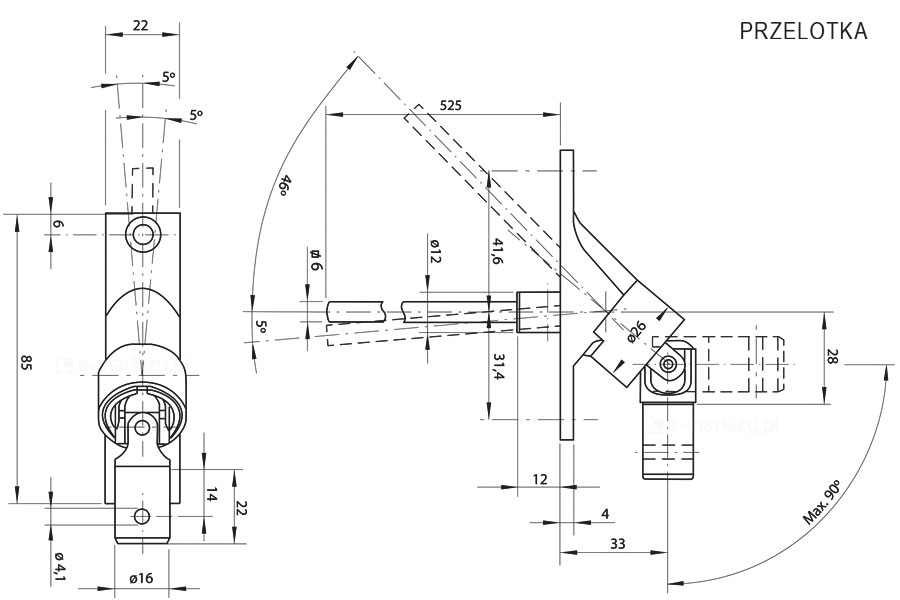
Żaluzje fasadowe C80 dane techniczne – Sterowanie żaluzjami ręcznymi

Żaluzją sterujemy ręcznie. Stronę sterowania ręcznego wybiera się patrząc od wewnątrz pomieszczenia. Przy sterowaniu żaluzją zewnętrzną z pomieszczenia, stosuje się przelotkę ścienną.


Żaluzje fasadowe C80 dane techniczne – Sterowanie żaluzjami elektrycznymi

Żaluzją sterujemy przewodowo lub bezprzewodowo za pomocą napędu elektrycznego. Przewód wyprowadzony jest na długość ok. 2mb i umiejscowiony mniej więcej na środku systemu. Można go podłączyć dowolnie z prawej lub z lewej strony żaluzji.

Zobacz informacje o napędach Zobacz informacje o automatyce


Żaluzja C80 Selt

Zastosowanie:
Żaluzja C80 została zaprojektowana z myślą do zastosowania na zewnątrz budynków mieszkalnych i biurowych.

Charakterystyka wyrobu:

  • Są przeznaczone do montażu zewnętrznego na otworach okiennych, fasadach i przeszkleniach oraz wewnątrz.
  • Ograniczają dostęp światła słonecznego do pomieszczenia.
  • Zwiększają udział światła rozproszonego w pomieszczeniu.
  • Chronią pomieszczenie przed nagrzewaniem, przez co przyczyniają się do poprawy komfortu termicznego w pomieszczeniach.
  • Pozwalają na ograniczenie kosztów związanych z klimatyzacją pomieszczeń.
  • Obudowa szyny głównej poprzez aluminiowe blachy osłonowe w 4 typach (1, 2, 3 i odmiana 3A oraz 4 i odmiana 4A), możliwa
    zabudowa podtynkowa.
  • Opcja tworzenia dowolnej ilości modułów.
  • Prowadnice listwowe z ekstrudowanego aluminium w kilku odmianach (pojedyncza, podwójna, podtynkowa, doościeżnicowa).
  • Zawinięte otwory w lamelach chronią tasiemki przed przetarciem.
  • Płynne sterowanie kątem pochyłu lameli zapewnia swobodną regulację natężenia światła.
  • Sworznie ze stopu cynku i aluminium.
  • Elementy tekstylne z poliestru utrwalane termicznie, odporne na rozciąganie, przecieranie i oddziaływanie promieni UV.
  • Drabinki wzmocnione Kevlarem.
  • Ograniczają przenikanie hałasu do wnętrza budynku.
  • Nie wydzielają toksycznych substancji w trakcie eksploatacji.
  • Lamele w kształcie litery C z zawiniętymi krawędziami zapewniają im wyższą sztywność i wytrzymałość.
  • Emisja hałasu żaluzji z napędem i żaluzji zewnętrznych nie jest uważana za istotne zagrożenie dla zdrowia i bezpieczeństwa.
  • Silniki posiadają stopień ochrony obudowy IP 54. Konstrukcja wyrobu i napędu pozwala na bezpieczne zatrzymanie kurtyny na każdej wysokości w obszarze pracy góra-dół i pozostawanie tam w stanie zawieszenia.
  • Ruch w górę i dół odbywa się za pomocą elektrycznego przełącznika lub zdalnie za pomocą pilota.
  • Osłony części ruchomych zostały zaprojektowane i wykonane w sposób zapewniający obsługującym bezpieczeństwo przy założeniu, że są prawidłowo eksploatowane.
  • Napęd elektryczny lub ręczny (korbowy).
  • Kolorystyka: RAL, FSM.

PARAMETRY TECHNICZNE – Żaluzje Fasadowe C80 – Dane Techniczne
Szerokość maksymalna: 5 m
Wysokość maksymalna: 5 m
Maksymalna powierzchnia (dla napędu korbowego): do 9 m2,
Szerokość lameli: 80,4 mm
Wysokość lameli: 12,4 mm
Grubość lameli: 0,4 mm
Wysokość blach osłonowych: 200, 250, 300, 340, 390, 440 mm
Szerokość blach osłonowych: 128 mm

Napęd elektryczny, silnik o parametrach:
– napięcie zasilania
230 V ~ 50 Hz – moc
od 93 W do 230 W ( w zależności od typu silnika )
– pobór prądu od 0,4 A do 1,0 A ( w zależności od typu silnika )
– stopień ochrony IP 44, IP54
– czas pracy ciągłej od 4 do 6 min
– moment obrotowy od 6 do 20 Nm
– prędkość obrotowa od 24 obr / min do 26 obr / min ( w zależności od typu silnika )
– temperatura pracy Od -10°C do + 40°C
Napęd ręczny: Korba:
Długość: 2/3 systemu
Kolor konstrukcji RAL, VSR, FSM
Zastosowanie Zewnętrzne
DEKLAROWANE WŁAŚCIWOŚCI UŻYTKOWE (ZEWNĘTRZNE) –
Deklaracja Właściwości Użytkowych 72 / ŻF / 2018
Odporność na obciążenie wiatrem 3 klasa (150Pa)
Dodatkowy opór cieplny ∆R 0,0
Całkowity współczynnik przenikania energii słonecznej gtot 0,01 – 0,90*

* przesłona od zewnątrz wraz z oszkleniem referencyjnym typu C wg EN14501:2005; szczegółowe dane ależne od koloru lameli podano tabelarycznie na stronie internetowej Producenta


Strona dotyczy żaluzji C80 firmy Selt wykonywanej na wymiar zgodnie z informacjami podanymi podczas zamówienia w konfiguratorze produktu. Więcej informacji można znaleźć w konfiguratorze lub na pozostałych podstronach produktu.


Żaluzje Fasadowe C80 - Dane Techniczne - specyfikacja żaluzji fasadowych c80, żaluzje fasadowe c80 dane techniczne, Żaluzje fasadowe c80 wymiary, żaluzje fasadowe dane techniczne, żaluzja fasadowa dane techniczne, żaluzja fasadowa c80 specyfikacja, żaluzja z lamelami specyfikacja, żaluzja zewnętrzna, żaluzja elektryczna, żaluzja zewnętrzna fasadowa dane techniczne